


Einer der meistverkauften klassischen "Röhren-Watchmänner" dürfte der SONY FD-10 aus dem Jahr 1987 gewesen sein. Die spezielle Flachbildröhre hat eine sichtbare Diagonale von etwa 47 mm, die Fokussierung kann bei Bedarf von außen nachgeregelt werden. Natürlich ist das Bild nur in Schwarzweiß, aber dafür kontrastreich und schön scharf.
Die graue Maus in der Mitte wurde durch den Austausch zweier Keramikfilter auf die in Großbritannien übliche Ton-ZF (6.0 MHz) umgerüstet. Die rote '87er US-Version rechts war offenkundig als "Spar-Watchman" ausgelegt: Im Gegensatz zu praktisch allen anderen Taschenfernsehern verfügt dieses Modell weder über eine Aufsteller, noch über einen Anschluss für ein externes Netzteil. Selbst die Halterung für die Trageschlaufe wurde wegrationalisiert. Ein amerikanischer SONY Watchman Prospekt vom September 1987 behauptet sogar, man hätte sich darüber hinaus auch die Kopfhörerbuchse gespart, aber das gilt zumindest nicht für dieses Exemplar.
Der FD-10E (roter Skalenzeiger, in Deutschland erhältlich in Schwarz, Weiß und Grau) ist übrigens die Version für Westeuropa, der FD-10A (gelber Skalenzeiger) die Ausführung für den US-Markt. Für Großbritannien und Hongkong gab es zusätzlich den FD-10B. Im Mai 1988 war der FD-10A in den USA schon für weniger als 90$ zu haben. Hinsichtlich des Sammlerwerts gilt: Hellgraue sind mit Abstand am geläufigsten, rote am seltensten. Weitere Informationen zum FD-10E halten zwei Seiten aus deutschen SONY Prospekten bereit.
Der FD-10 kostete in Japan 25.500 Yen, das waren damals umgerechnet gut 300 DM. Die Leistungsaufnahme liegt bei nur 1,6 Watt, die Betriebsdauer wird mit 5 Stunden angegeben (bzw. 35 Stunden im "Nur-Ton-Modus"). Mit 4 Mignon-Akkus wiegt er etwa 390 Gramm. Made in Japan.
Gebrauchswert:![]()
Sammlerwert:![]()
bis![]()
P.S. Vielen Dank an Mark Kunst aus Den Haag für die Bereitstellung einer Prospektseite.




War der SONY Watchman FD-210 aus dem Jahr 1982 der erste Taschenfernseher? Schwer zu sagen. Das Wettrennen um diesen ersten Platz hätte er eigentlich knapp vor dem Sinclair FTV1 gewonnen. Allerdings ist der FD-210 trotz Flachbildröhre aus heutiger Sicht alles andere als kompakt: Fast 20 cm hoch und rund 9 cm breit. Zu groß jedenfalls für die Hosentasche. Die sichtbare Diagonale der Bildröhre vom Typ SONY ED-15 beträgt etwa 47 mm. Auf Wunsch arbeitet das Gerät im "nur-Ton-Modus". Erfreulicherweise besitzen auch die Exemplare für den deutschen Markt an der Oberseite eine Antennenbuchse (3,5 mm). Seinerzeit ein nettes Extra für England-, Hongkong- und Südafrika-Urlauber: Der FD-210BE konnte auf die, in diesen Ländern damals übliche Ton-ZF von 6,0 MHz umgeschaltet werden. SONY nennt ihn daher den Go-Anywhere Personal TV.
In der Fachzeitschrift Electronics Today International wurde im Heft 05/1982 über SONY's ersten Minifernseher berichtet, ebenso in der deutschen Funkschau in Ausgabe 05/1982. Dort steht zu lesen, dass das Gerät zunächst nur in Japan unter der Bezeichnung SONY FLAT TV FD-200 zum Preis von 54.800 Yen (das waren 1982 umgerechnet rund 560 DM) verkauft werden sollte. Die Abbildung dieses Watchman aus der Funkschau fand auch ihren Weg ins Guinness Buch der Rekorde 1983. Offenbar ist man dort jedoch mit Tiefe und Diagonale der Bildröhre - ebenfalls die ED-15 - durcheinandergekommen ("kaum Fingernagelgroß"). Die Ende 1986 eingestellte Fachzeitschrift Funk-Technik berichtete zweimal ausführlich über den FD-200: Zuerst im Juni 1982 und später, noch etwas detaillierter, im November 1983. Ein hoch aufgelöstes Foto des FD-200 von einer Neuheitenmesse in Amsterdam vom August 1982 ist ebenfalls nur einen Klick entfernt.
Kenner der japanischen Sprache erfreuen sich bestimmt an der Original-Broschüre und eine weitere schöne Abbildung des FD-200 stammt von der (ehemaligen) Website des International Vintage Electronics Museum in Brighton / Südengland. In einem Prospekt aus dem Jahr 1982 taucht sogar der "Retail-Price" des FD-200 für die USA auf: 395$. Und eine Zeitschriftenwerbung in den USA spricht von einem "Breakthrough like Trinitron, Walkman and Betamax" :-)
Im Gegensatz zum FD-200 druckt SONY beim FD-210 erstmals den Begriff "Watchman" prominent auf's Gerät - mit dem charakteristischen Schriftzug in Kleinbuchstaben der Schrift Russel Square.
Der Collector's Guide to Vintage Televisions taxiert die US-Version des FD-210 auf 140$ - originalverpackte Exemplare erreichen teilweise deutlich höhere Summen, denn für eine Fernsehersammlung ist das Teil eigentlich ein "Muss". Einen zeitgenössischen Erfahrungsbericht eines US-amerikanischen HiFi-Magazins findet man hier. Und wenn man sich keinen Watchman leisten wollte, dann konnte man noch auf Glück hoffen.
Die Leistungsaufnahme meines FD-210BE liegt laut Typenschild bei 1,8 Watt. Er wiegt mit vier Mignon-Akkus satte 670 Gramm. Made in Japan.
Gebrauchswert:![]()
Sammlerwert:![]()



Der SONY Watchman FD-2 aus dem Jahr 1986 ist der Vorgänger des auch in Europa sehr weit verbreiteten FD-10. Während der FD-2E hierzulande in Anthrazit, Schwarz und Weiß erhältlich war, gab's den "amerikanischen" FD-2A darüber hinaus in einem feschen Blau. Das elegante Design und die einzigartige Flachbildröhre (Typ 02JM) wurden beim Nachfolgemodell praktisch unverändert übernommen. Der wesentliche Unterschied: Beim FD-2 kann/muss vieles von Hand eingestellt werden (Helligkeit, Kontrast und - beim 2E - der Bildfang). Dass in diesem Modell noch viel konventionelle Technik steckt, zeigt ein Blick ins Innere. Mechanisch ist er ebenfalls eine Herausforderung, das beweist die Explosionszeichnung. Und falls Ihnen die Krawatte des Nachrichtensprechers nicht gefällt, können Sie beim FD-2 das Bild abschalten und nur den Fernsehton genießen. Dank YouTube und TVDAYS ist auch ein "gigantischer" Werbespot erhalten.
Die technischen Daten in der Übersicht: Die sichtbare Bilddiagonale beträgt 47 mm, mit der optionalen Vorsatzlupe VCV-2 etwa 65 mm. Ebenfalls als Zubehör erhältlich: Eine externe Batteriebox für 4 Baby-Zellen. Damit erreicht der FD-2 eine Laufzeit von bis zu 14 Stunden mit einem Batteriesatz. Der FD-2A verfügt grundsätzlich über einen Antenneneingang (3,5 mm), der FD-2E nur dann, wenn er außerhalb Deutschlands verkauft wurde. Der Neupreis lag in den USA irgendwo zwischen 160 und 180 Dollar (bzw. je nach Modell zwischen 30.000 und 37.000 Yen). Von einer amerikanischen Internet-Auktion aus dem Jahr 2006 stammt diese interessante Ansicht einer FD-2-Sammlung zum Ausschlachten.
Die Leistungsaufnahme dieses Klassikers beträgt nur 1,6 Watt. Mit 4 Mignon-Akkus wiegt der SONY FD-2 rund 420 Gramm. Made in Japan.
Gebrauchswert:![]()
Sammlerwert
(blau / sonstige Farben):![]()
/![]()




Ein ziemlich geniales Teil ist dieser Anfang 1985 gebaute SONY Watchman Voyager FD-20AEB. Ein an der Oberseite des Gerätes angebrachter Umschalter ermöglicht den Einsatz in den USA, Westeuropa und Großbritannien. Also ein echtes "Multinorm-Gerät" und daher laut Werbung "in fast allen Ländern der Welt zuhause". Die scharfe Flachbildröhre hat eine Diagonale von 47 mm, das Bild kann durch eine mitgelieferte Aufstecklupe auf knapp 65 mm vergrößert werden. Kontrast, Bildfang und Fokus sind von außen einstellbar.
Ein belegter Neupreis aus Deutschland lag bei 650.- DM, in den USA wurde er im Februar 1985 für 170$ gehandelt. Auf jeden Fall war das Gerät zu jener Zeit praktisch konkurrenzlos. Die Funkschau informierte ihre Leser Ende 1984 kurz und bündig über den neuen Watchman. Eine weitere schöne Werbung fragt den Zeitschriftenleser, ob er lieber Köpcke oder Schimanski unterwegs genießen möchte. Das Musikmagazin Record stellte in seiner Weihnachtsausgabe 1985 den Voyager im Kreise einige Mitbewerber vor.
Ein Hinweis für Bastler: Zur wohl größten Hürde, einen vollständig zerlegten FD-20AEB wieder zusammen zu setzen, gehört das "Dial Cord Stringing", also die Führung der Schnur, die den Senderwahlknopf (unter anderem) mit dem Kanalanzeiger verbindet. Eine Skizze beschreibt die knifflige Angelegenheit. Alternativ zum silberfarbenen Gehäuse gab's den Voyager auch in Anthrazit - wenn auch erheblich seltener.
Die Leistungsaufnahme des FD-20AEB liegt laut Typenschild bei moderaten 2 Watt. Er wiegt mit vier Mignon-Akkus gut 510 Gramm - da hat der Weltenbummler ganz schön was zu schleppen. Made in Japan.
Gebrauchswert:![]()
Sammlerwert:![]()
P.S. Kenner der holländischen Sprache können
dieser SONY Prospektseite zum
FD-20AEB sicher mehr Informationen entnehmen, als ich ... irgendwas von einem
Solarladegerät kann man erahnen.
Im Jahr 1988 drehte Barry Levinson den Film Rain Man. In den Hauptrollen: Dustin Hoffman, Tom Cruise und ein silberfarbener SONY Watchman FD-40. Für den Streifen gab's immerhin 4 Oscars - ob sich dieser Erfolg auch auf die Verkaufszahlen des Watchman ausgewirkt hat? Auf jeden Fall passt der FD-40 in keine Hosentasche, es ist wohl eher ein Aktentaschenfernseher.
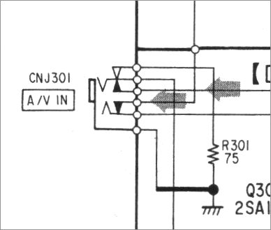
Bei diesem Modell kam erstmals die 4-Zoll (100 mm) Version 04JM der bewährten Flachbildröhre zum Einsatz - die Zeitschrift Funkschau berichtete Ende 1984 über diese Entwicklung. Wie bei fast allen "Röhren-Watchmännern" erfolgt die Senderwahl beim FD-40 gutbürgerlich per Einstellrad. Helligkeit, Kontrast und Bildfang werden über seitliche Drehknöpfe justiert. Der optionale NiCd-Akkupack (Typ: BP-16H) wird automatisch im Gerät geladen. Ein ungewöhnliches Ausstattungsmerkmal in dieser Klasse ist der A/V-Eingang, allerdings erfordert er ein Spezialkabel vom Typ "Unicable VMC-610S", eine seltene Kombination aus Klinken- und Cinch-Stecker. Ein herkömmliches Cinch-Kabel erfasst nur das Videosignal, nicht aber den Ton. Eine schöne Innenansicht des Watchman findet sich hier.
Das abgebildete Exemplar ist für den US-Markt konzipiert, verfügt über einen Antenneneingang (3,5 mm) und wurde im Oktober 1985 gefertigt. Im Folgejahr kostete dieser Watchman in den USA noch rund 180$. Der Preis bei Markteinführung in Japan betrug nach meinen Unterlagen 42.800 Yen, das waren gut 500 DM. Oder man kaufte zu jener Zeit in Japan Citicorp-Reiseschecks im Wert von 500 US$ und konnte einen gewinnen.
In Deutschland war dieses Modell als FD-40E unter anderem in einem todschicken rot erhältlich. Mit 4 Baby-Akkus wiegt ein FD-40 etwa 2 Pfund und 11 Unzen, das sind rund 1.200 Gramm. Made in Japan.
Gebrauchswert:![]()
Sammlerwert:![]()
P.S. Ein findiger Bastler namens Jon Stanley aus Texas hat sich den
PongMan ausgedacht, ein Watchman mit integriertem Videospiel. Für seinen
Prototyp musste ein FD-40A herhalten - leider bot das Gerät
im Inneren nicht annähernd
so viel Platz für Erweiterungen, wie erhofft: Another
simple complicated and fun project ...


Dass es auf der Welt ein Dutzend verschiedene TV-Standards gibt, ist bekanntlich weniger technisch, denn politisch motiviert. Auch die Briten haben sich innerhalb der europäischen PAL-Domäne ein eigenes Süppchen gekocht: Die analoge Bildübertragung auf der Insel war zwar zu den meisten anderen westeuropäischen Staaten kompatibel, aber man beschränkte sich auf den UHF-Bereich und verwendet einen anderen Ton-Standard.
Ein spezielles Modell für diesen Markt ist der SONY Watchman FD-9B aus dem Jahr 1988. Gemäß der Website Walkman Central war der in schwarz und weiß erhältliche FD-9B der Nachfolger des FD-10B, also der "UK-Version" des Verkaufsschlagers FD-10. Äußerlich unterscheiden sich die Geräte lediglich in der Farbe des Skalenzeigers (gelb beim FD-9B, rot beim FD-10B). Einen Antenneneingang besitzt dieses Exemplar leider nicht.
Die Leistungsaufnahme aller Modelle (auch der Blackthorn-Cider-Version) beträgt elaut Typenschild inheitlich 1,6 Watt. Mit 4 Mignon-Akkus wiegt dieser SONY FD-9B gut 390 Gramm. Made in Japan.
Gebrauchswert:![]()
Sammlerwert:![]()